将汽水瓶或外卖容器放入回收箱远不能保证它会变成新的东西。莱斯大学的科学家正试图通过使该过程有利可图来解决这个问题。

闪焦耳热可用于从混合废塑料中制造碳纳米管和碳纳米纤维,这种方法比现有生产工艺效率高90%。纳米管直径可以通过改变所使用的功率或催化剂来控制。(图片由旅游实验室/莱斯大学提供)
根据经济合作与发展组织的数据,全球产生的塑料垃圾数量在过去二十年中翻了一番,预计到2050年塑料产量将增加两倍,其中大部分最终被填埋、焚烧或以其他方式管理不善。 一些估计表明,实际上只有5%被回收。
“废塑料很少被回收利用,因为对塑料进行所有清洗,分类和熔化以将其变成工厂可以使用的材料需要花费大量资金,”莱斯大学研究生Kevin Wyss说,该研究发表在Advanced Materials上的一项研究描述了他和化学家James Tour实验室的同事如何使用他们的闪焦耳加热技术。将塑料转化为有价值的碳纳米管和杂化纳米材料。
“我们能够制造出一种混合碳纳米材料,其性能优于石墨烯和市售碳纳米管,”Wyss说。

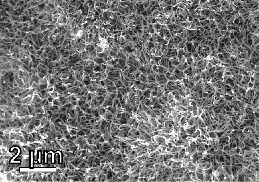
通过控制反应参数,从混合废塑料中获得了由纳米管组成的杂化碳纳米材料,其末端附着有石墨烯片状钻头。当用于复合材料时,这些杂化物的性能优于单独的石墨烯或碳纳米管。(图片由旅游实验室/莱斯大学提供)
石墨烯、碳纳米管等碳基纳米材料通常强度大,化学强度大,密度低,表面积大,具有导电性和宽带电磁吸收能力。这使得它们可用于各种工业、医疗和电子应用,如复合材料、涂层、传感器、电化学储能等。
“这次我们的结果真正有趣的是,我们能够制造这些碳纳米管,末端附着石墨烯,”Wyss说。“你可以认为这种新的混合纳米材料的结构类似于豆芽或棒棒糖。这些通常很难制造,我们能够用废塑料制造它们这一事实真的很特别。
新型杂化碳纳米材料的结构是其性能增强的原因。

通过控制反应参数,从混合废塑料中获得了由纳米管组成的杂化碳纳米材料,其末端附着有石墨烯片状碎片。当用于复合材料时,这些杂交形态比单独的石墨烯或碳纳米管表现更好。(图片由旅游实验室/莱斯大学提供)
“假设我试图从毛衣中拉出一根纱线,”Wyss说。“如果绳子又直又光滑,有时很容易脱落并破坏编织。碳纳米管也是如此;将这些质量的石墨烯附着在末端有助于使它们更难去除,从而加强复合材料。
“你也可以这样想:如果你得到一块碎片,它很容易取出。但是,如果你被末端有曲线的东西刺伤,比如鱼钩,就更难取出了,“他补充说。
这种塑料不需要像传统回收那样进行分类或清洗,在超过3,100开尔文(约5,120华氏度)的温度下“闪蒸”。“我们所做的只是将材料研磨成小的,五彩纸屑大小的碎片,添加一点铁并混合少量不同的碳 – 比如木炭 – 以提高导电性,”Wyss说。
“回收塑料的成本不仅仅是生产新塑料,”他补充说。“回收塑料几乎没有经济动机。这就是为什么我们转向升级再造,或者将低价值的废料变成具有更高货币或使用价值的东西。如果我们能把废塑料变成更有价值的东西,那么人们就可以从如何处理废弃塑料中赚钱。

Kevin Wyss是莱斯大学的研究生,也是该研究的主要作者。(摄影:Jeff Fitlow/莱斯大学)。
对生产过程的生命周期分析表明,闪蒸焦耳加热比现有的纳米管生产工艺更节能、更环保。
“与目前使用的碳纳米管生产商业方法相比,我们的能源使用量减少了约90%,产生的二氧化碳减少了90%-94%,”Wyss说。
Tour是该研究的合著者,是T.T.和W.F.Chao化学教授,也是莱斯大学乔治布朗工程学院的材料科学和纳米工程教授。
美国国家科学基金会研究生研究奖学金,空军科学研究办公室(FA9550-19-1-0296)和美国陆军工程研究与发展中心(W912HZ-21-2-0050)支持这项研究。
本文来自莱斯大学,本文观点不代表石墨烯网立场,转载请联系原作者。
