氢被视为化石燃料的一种有前途的替代品,但其制造方法要么会产生过多的二氧化碳,要么过于昂贵。莱斯大学的研究人员找到了一种利用低排放方法从塑料废物中获取氢气的方法,这种方法的成本远远超出了成本。

詹姆斯·图尔(左)和凯文·怀斯(摄影:Gustavo Raskosky/莱斯大学)
“在这项工作中,我们将废塑料——包括不需要按类型分类或清洗的混合废塑料——转化为高产氢气和高价值石墨烯,”莱斯大学博士校友兼负责人凯文·怀斯(Kevin Wyss)说。作者发表在《先进材料》上的一项研究。“如果生产出来的石墨烯仅以当前市场价值的 5% 出售——即折扣 95%!——可以免费生产清洁的氢气。”
相比之下,“绿色”氢气——使用可再生能源将水分解成两种组成元素——的成本约为 5 美元,仅两磅多一点。尽管价格更便宜,但 2022 年全球使用的近 1 亿吨氢气大部分来自化石燃料,每生产一吨氢气会产生约 12 吨二氧化碳。
“当今使用的氢的主要形式是‘灰’氢,它是通过蒸汽-甲烷重整产生的,这种方法会产生大量二氧化碳,”莱斯大学的T. T. James Tour、化学教授W. F. Chao以及一位材料科学和纳米工程教授说。“未来几十年,对氢的需求可能会猛增,因此,如果我们真的想在 2050 年实现净零排放,那么我们就不能继续以目前的方式生产氢。”

由废塑料形成的纳米级闪蒸石墨烯片层状堆叠的扫描电子显微镜 (SEM) 图像。(图片由 Kevin Wyss/Tour 实验室提供)
研究人员将塑料废物样品暴露在快速焦耳加热下约四秒钟,使其温度达到 3100 开氏度。该过程蒸发了塑料中存在的氢,留下石墨烯——一种由单层碳原子组成的极轻、耐用的材料。
“当我们第一次发现闪蒸焦耳加热并将其用于将废塑料升级为石墨烯时,我们观察到大量挥发性气体产生并从反应器中喷出,”怀斯说。“我们想知道它们是什么,怀疑是小分子碳氢化合物和氢气的混合物,但缺乏仪器来研究它们的确切成分。”
Tour 实验室利用美国陆军工程兵团的资金,购买了必要的设备来表征汽化内容物。
“例如,我们知道聚乙烯由 86% 的碳和 14% 的氢组成,我们证明我们能够以气体形式回收高达 68% 的原子氢,纯度为 94%,”Wyss说。“开发方法和专业知识来表征和量化通过这种方法产生的所有气体(包括氢气)对我来说是一个困难但有益的过程。

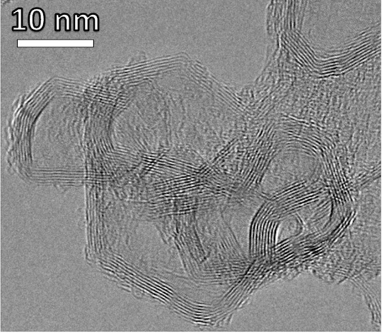
由废塑料形成的纳米级闪蒸石墨烯片层状堆叠的透射电子显微镜 (TEM) 图像。(图片由 Kevin Wyss/Tour 实验室提供)
“我很高兴我在这项工作中学到和使用的技术——特别是生命周期评估和气相色谱——可以应用于我们团队的其他项目。我希望这项工作能够利用废塑料生产清洁氢气,从而可能解决塑料污染和通过蒸汽甲烷重整生产氢气等温室气体密集型问题等重大环境问题。”
该研究得到了美国陆军工程师研究与发展中心(W912HZ-21-2-0050)、空军科学研究办公室(FA9550-22-1-0526)、国家科学基金会和海军办公室的支持研究 (N00014-22-1-2788)。
本文来自莱斯大学,本文观点不代表石墨烯网立场,转载请联系原作者。
