重庆石墨烯研究院有限公司
一种石墨烯陶瓷发热板的制备方法
申请日 2021-12-27
申请公布日 2022-03-15
授权公告日 2023-05-26
申请号 CN202111608214.3
申请公布号 CN114180973A
授权公告号 CN114180973B
分类号 C04B41/80;C04B35/622;H05B3/03
本发明属于石墨烯应用技术领域,公开了一种石墨烯陶瓷发热板的制备方法。该方法依次包括以下步骤:步骤1,准备石蜡板,于石蜡板上涂布石墨烯线路,干燥成型,并于石墨烯线路上设置正负电极;步骤2,将步骤1得到的石蜡板固定于发热板模具中部,石蜡板的四周与发热板模具侧壁留有空隙,但至少有一处与发热板模具侧壁接触;步骤3,向步骤2的发热板模具浇筑陶瓷泥浆后,干燥成陶瓷坯体;步骤4,将步骤3的陶瓷坯体脱模并煅烧、冷却,形成石墨烯陶瓷发热板。本发明解决了现有技术制备的石墨烯陶瓷发热板使用寿命短的技术问题。

深瑞墨烯科技(福建)有限公司
热处理设备
申请日 2022-12-02
授权公告日 2023-05-23
申请号 CN202223229413.6
授权公告号 CN219058558U
分类号 B32B9/04;C08J5/18
本申请涉及一种热处理设备,包括:炉体,所述炉体上开设有至少一个测温通道,所述测温通道伸入所述炉体内部;加热机构,所述加热机构设置在所述炉体内部;测温机构,所述测温机构包括第一测温器和第二测温器,所述第一测温器和第二测温器交替设置在所述测温通道内,所述第一测温器的温度测定范围0℃~1800℃,和/或所述第二测温器的温度测定范围为800℃~3200℃,本申请通过第一测温器测量低温阶段的温度,第二测温器测量高温阶段的温度,通过对于整个高温过程进行精准测量,提高通过本申请高温制备的导热复合膜的导热性能。

宁波华丰包装有限公司
一种石墨烯抗静电膜裁切装置
申请日 2022-12-12
授权公告日 2023-05-23
申请号 CN202223338546.7
授权公告号 CN219054472U
分类号 B26D7/26;B26D7/02
本实用新型公开了一种石墨烯抗静电膜裁切装置,包括用于承载的底座、固定连接在所述底座上端左右两侧且呈竖直状态的连接杆以及设置在底座上方用于裁切的裁刀,上连接辊,所述上连接辊设置在下连接辊的上端,活动架,所述活动架与呈“T”字形结构的连接杆之间通过滑动的方式相连接,限位机构,所述限位机构设置在活动架的上端。该石墨烯抗静电膜裁切装置,能够保持石墨烯抗静电膜在裁切过程中的稳定性,防止在裁切过程中出现歪斜,结合限位机构的设置,便于将裁刀安装在固定在活动架的下方,根据对裁刀数量的调整对裁刀与裁刀之间的间距大小进行调节,从而便于对裁切处不同尺寸的石墨烯抗静电膜。

北京石墨烯技术研究院有限公司
跑鞋(石墨烯压感智能跑鞋)
申请日 2022-11-14
授权公告日 2023-05-23
申请号 CN202230759138.5
授权公告号 CN308045279S
分类号 02-04(13)
1.本外观设计产品的名称:跑鞋(石墨烯压感智能跑鞋)。2.本外观设计产品的用途:用于穿着。3.本外观设计产品的设计要点:在于形状、图案及其结合。4.最能表明设计要点的图片或照片:立体图1。

负载石墨烯膜的管路接头及其制备方法和应用
申请日 2023-01-31
申请公布日 2023-05-23
申请号 CN202310118676.X
申请公布号 CN116146819A
分类号 C23C16/01
本申请涉及管路连接技术领域,特别是涉及一种负载石墨烯膜的管路接头及其制备方法和应用。负载石墨烯膜的管路接头的制备方法,包括以下步骤:采用CVD法制备石墨烯膜‑金属箔复合材料;采用石墨烯薄膜转移法,将石墨烯膜‑金属箔复合材料中的石墨烯膜转移贴合于金属管路接头的表面。上述制备方法能够修补管路接头出现的原子级缝隙,提高其密封性。

单晶石墨烯薄膜及其制备方法和应用
申请日 2022-12-30
申请公布日 2023-05-23
申请号 CN202211724878.0
申请公布号 CN116145253A
分类号 C30B29/02
本申请涉及一种单晶石墨烯薄膜及其制备方法和应用,属于石墨烯材料制备技术领域。本申请提供的单晶石墨烯薄膜的制备方法,包括如下步骤:将铜箔与基体金属箔进行贴合,基体金属箔的熔点高于铜箔的熔点;将互相贴合的铜箔与基体金属箔在保护性气氛中加热至铜箔的熔融温度;在熔融温度条件下通过化学气相沉积在熔融的铜箔的表面进行卷对卷单晶石墨烯薄膜生长;或者将互相贴合的铜箔与基体金属箔在熔融温度条件下退火后,通过化学气相沉积在退火后的铜箔的表面进行卷对卷单晶石墨烯薄膜生长。该制备方法能够提高单晶石墨烯薄膜的制备效率,并实现单晶石墨烯薄膜的大批量制备。

山东欧铂新材料有限公司
一种高分散氧化石墨烯粉体及其制备方法、应用
申请日 2018-06-07
申请公布日 2019-12-17
授权公告日 2023-05-16
申请号 CN201810580446.4
申请公布号 CN110577215A
授权公告号 CN110577215B
分类号 C01B32/198;C09D7/61
本发明提供了一种氧化石墨烯粉体,由化学氧化法制备的氧化石墨烯水溶液经喷雾干燥后得到;所述氧化石墨烯粉体中氧化石墨烯呈片层状均匀分散。本发明提供的氧化石墨烯粉体,是针对化学氧化法制备的氧化石墨烯的粉体。本发明采用了简单的喷雾干燥工艺,得到了氧化石墨烯粉体,其氧化石墨烯呈片层状,而且均匀分散,无严重堆叠现象。本发明得到的氧化石墨烯粉体极大的拓展了石墨烯材料的应用范围,而且制备方法简单易行,成本低,无污染,适于氧化石墨烯的大规模生产和使用。
厦门稀土材料研究所
厦门凯纳石墨烯技术股份有限公司
插层复合物、制备方法及应用
申请日 2023-01-04
申请公布日 2023-05-26
申请号 CN202310015172.5
申请公布号 CN116169291A
分类号 H01M4/62;H01M10/052
本发明公开了插层复合物、制备方法及应用,属于电化学储能领域,插层复合物,包括氟化铁颗粒和碳层,碳层的层间结构之间插入氟化铁颗粒。制备方法包括以下步骤S1:在手套箱内称取碳材料和氯化铁,混合均匀后装入耐热容器中,对混合材料恒温360‑400℃加热4‑8h,持续通入干燥惰性气体,取出混合材料后在稀盐酸中清洗抽滤,去离子水清洗,转移进行真空干燥,得到插层复合材料,S2:将插层复合材料放入氟化设备,通入氟化气体,保持压强90‑110KPa,在300‑800℃条件下反应10‑14h,得到插层复合物。本发明通过设计插层复合材料及控制插层复合材料的氟化度,制备了具有高比容量和稳定循环性能的插层复合物。

厦门凯纳石墨烯技术股份有限公司
高质量石墨烯粉体生长及同步制氢方法和装置
申请日 2023-04-28
申请公布日 2023-05-30
申请号 CN202310474545.5
申请公布号 CN116177537A
分类号 C01B32/186;C01B3/26
本申请涉及碳材料技术领域,特别涉及一种高质量石墨烯粉体生长及同步制氢方法和装置,方法包括:S11:在氢气气氛环境中,向加热至生长温度的液态金属中通入氢气与碳源气体的混合气,使混合气在液态金属中形成混合气泡,并使碳源气体在液态金属中发生裂解反应,以生成石墨烯和氢气;S12:分别收集随混合气泡上升至液态金属表面的石墨烯和尾气,对尾气提纯后得到氢气。本申请能够实现少层高质量的石墨烯和氢气同步制备。

一种用于二次电池的负极极片、二次电池及电子装置
申请日 2022-09-09
申请公布日 2023-05-23
申请号 CN202211102352.9
申请公布号 CN116154163A
分类号 H01M4/62
本申请涉及电池技术领域,特别涉及一种用于二次电池的负极极片、二次电池和电子装置。负极极片包括负极集流体,集流体上涂覆有包括多孔石墨烯和负极主材的负极复合材料,多孔石墨烯的片径分布参数、挥发分和在负极极片中的重量占比满足下述关系式:0.02≤A/(B*D)≤0.80;多孔石墨烯包覆在负极主材的表面;其中,A表征多孔石墨烯的重量占比,B表征多孔石墨烯的挥发分,D表征多孔石墨烯的片径分布参数。通过在负极极片的导电剂中增加了多孔石墨烯,以及将多孔石墨烯的片径分布参数、挥发分和在所述负极极片中的重量占比调整至满足上述关系,能够协同提高二次电池的电池性能,尤其是低温充放电性能、低温极化和循环性能。

一种涂碳铝箔及用于二次电池的电极极片
申请日 2022-12-29
申请公布日 2023-05-16
申请号 CN202211708620.1
申请公布号 CN116130668A
分类号 H01M4/13;H01M10/05
本申请涉及电池技术领域,特别涉及一种涂碳铝箔及用于二次电池的电极极片,涂碳铝箔包括铝箔和涂覆在铝箔的至少一个表面的功能碳层,其特征在于,功能碳层包括石墨烯量子点和导电炭黑,石墨烯量子点分散于导电炭黑中;形成功能碳层的混合浆料中石墨烯量子点的重量百分比A和导电炭黑的重量百分比B,以及石墨烯量子点的挥发分X,导电炭黑的挥发分Y,石墨烯量子点的片径分布宽度S1和导电炭黑的二次粒径分布宽度S2间满足下述关系式:0.35≤100A*(1‑X)/S1+100B*(1‑Y)/S2≤5.5。本申请的技术方案能够优化功能碳层的剥离力的同时,实现功能碳层优异的导电性,降低极片电阻和交流内阻,改善倍率性能。

一种正极极片及二次电池
申请日 2022-08-31
申请公布日 2022-11-04
授权公告日 2023-05-16
申请号 CN202211062940.4
申请公布号 CN115295804A
授权公告号 CN115295804B
分类号 H01M4/13;H01M4/62
本申请涉及电池技术领域,特别涉及一种正极极片及二次电池,正极极片包括正极集流体和涂覆在正极集流体的至少一个表面的正极复合材料,正极复合材料包括石墨烯量子点和正极活性材料;石墨烯量子点附着在正极活性材料的颗粒表面,以及填充在相邻的正极活性材料的颗粒间的空间中;石墨烯量子点在正极极片中的重量百分比A、石墨烯量子点的片径分布宽度S2、正极活性材料的碳含量B、正极活性材料在正极极片中的重量占比C和正极活性材料的二次粒径分布宽度S1间满足下述关系式:0.5≤(100A+B*C*100)/S1+1/S2≤3。本申请能够显著改善二次电池的倍率性能和低温充放电性能。

太原赛因新材料科技有限公司
平板反应架
申请日 2023-03-06
授权公告日 2023-05-16
申请号 CN202330093596.4
授权公告号 CN308043295S
分类号 24-01(14)
1.本外观设计产品的名称:平板反应架。2.本外观设计产品的用途:本外观设计产品用于在焦耳热进行加热的过程中夹持长条形导电薄膜。3.本外观设计产品的设计要点:在于形状。4.最能表明设计要点的图片或照片:立体图。

武汉汉烯科技有限公司
一种流体散热用小体积石墨烯-铝复合间壁式热交换器及制备方式
申请日 2022-09-08
申请公布日 2023-05-23
申请号 CN202211093620.5
申请公布号 CN116141767A
分类号 B32B37/06;F28F21/02;B32B9/04;B32B3/08;F28F21/08;B32B37/10;B32B38/00;B32B15/20;B32B9/00;B32B3/30
本发明公开了一种流体散热用小体积石墨烯‑铝复合间壁式热交换器,其特征在于,包括固定外壳。本申请通过将石墨烯材料于传统铝制散热模块进行复合,形成特殊的石墨烯高效导热通道,从而大幅增加单个热交换单元的热交换效率,极大地提升了热交换器的总体热交换效率与热交换速度。在热交换过程中,热量通过石墨烯进行高效传输,不仅能实现热交换单元内部的高效传输,还能对同一行的复数热交换单元进行热量平均化传递,以达到总体散热效果的均衡。本专利的复合热交换器能够在极短的热交换行程(进行热交换的有效距离)和热交换时间(进行热交换的有效时间)内达到优异的热交换效果,完全满足现场的小体积、高效率热传递需求。

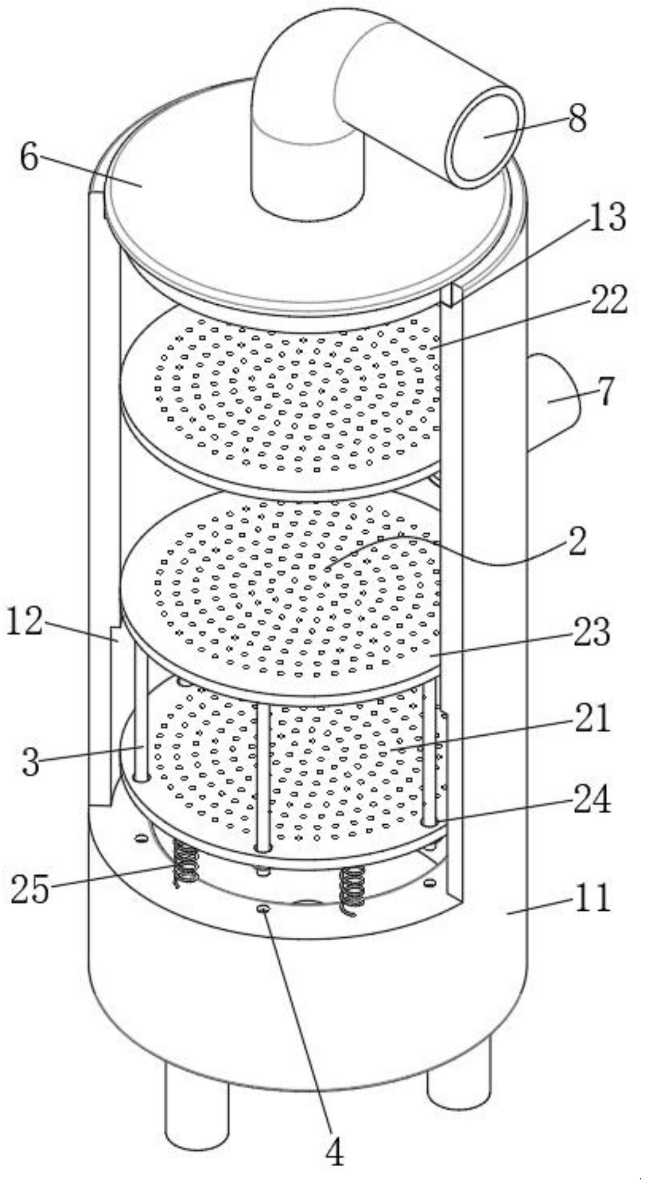
一种涉及海水再利用的石墨烯过滤装置
申请日 2022-12-30
申请公布日 2023-05-16
申请号 CN202211743540.X
申请公布号 CN116119757A
分类号 B01D35/01;B01D36/00;C02F1/04
本发明公开了一种涉及海水再利用的石墨烯过滤装置,包括用于承载海水的安装机构,所述安装机构内部固定安装有用于对海水进行过滤的过滤机构,所述过滤机构的底部固定连接有用于密封连接的连接密封机构,所述安装机构的内部固定设置有负压机构,O型圈下移,插槽内部的空间减小从而导致插槽内部的气压增大,随着插槽内部的气压逐渐增大,其内部的气压对密封片的压力增大直至挤开密封片,从密封片中流出的气体会沿着插杆与插槽之间的缝隙中排出,在气体排出的过程中,既会将插杆与插槽之间缝隙中的海水挤出,也能防止海水在此进入到插杆与插槽之间的缝隙中,从而使得插杆在插入插槽时,避免有海水进入到插槽的内部。

常州富烯科技股份有限公司
石墨烯导热膜、石墨烯导热片、制备方法及模具
申请日 2022-01-26
申请公布日 2022-06-03
授权公告日 2023-05-26
申请号 CN202210094161.6
申请公布号 CN114573358A
授权公告号 CN114573358B
分类号 C04B35/52;C04B35/622
本发明提供石墨烯导热膜或石墨烯导热片及其制备方法,包括:将泡沫模板浸渍在氧化石墨烯浆料中;将浸渍有氧化石墨烯浆料的泡沫模板进行横向压缩;对横向压缩条件下的泡沫模板进行干燥处理和碳化处理;对碳化处理后的泡沫模板进行石墨化处理,获得石墨烯导热膜或石墨烯导热片。本发明还提供模具。本发明石墨烯导热膜或石墨烯导热片在纵向上具有高导热性能、耐温性高、不分层的特点。

一种石墨泡沫及其制备方法
申请日 2019-11-20
申请公布日 2020-02-28
授权公告日 2023-05-26
申请号 CN201911139877.8
申请公布号 CN110844902A
授权公告号 CN110844902B
分类号 C01B32/205;C09K5/06
本发明提供了一种制备石墨泡沫的方法。该方法包括:将氧化石墨烯的浆料和石墨烯微片的浆料混匀排气,成型后干燥,再进行还原反应,反应完毕得到所述石墨泡沫。该方法相比现有技术,不会造成环境污染,且所得石墨泡沫的密度可达0.2~0.6g/cm3;导热系数≥80W/m·K;抗压强度≥5Mpa。本发明提供的石墨泡沫可以作为相变材料的储热支架,快速实现热量在相变材料的储存和释放。该石墨泡沫复合石蜡相变材料的相变储热能可达到150J/g;也可作为散热器,代替铝散热器、铜散热器,降低散热器的重量,重量减少75%以上。
基于石墨烯的增强型导热片及制备方法
申请日 2022-12-30
申请公布日 2023-05-26
申请号 CN202211731931.X
申请公布号 CN116171009A
分类号 H05K7/20
本发明提供基于石墨烯的增强型导热片及制备方法,基于石墨烯的增强型导热片包括石墨烯导热片基体、增强体和连接层,所述石墨烯导热片基体包括石墨烯导热片、设置在所述石墨烯导热片内的容纳腔以及设置于所述石墨烯导热片的容纳腔体的内表面的处理层,所述容纳腔用于容纳所述增强体,所述处理层用于提高所述内表面的表面活性,所述连接层用于连接石墨烯导热片基体与增强体,将增强体的热量传递到石墨烯导热片基体。本发明增强体与石墨烯导热片结合互补,充分发挥石墨烯导热片基体和增强体的优势,从增强体到石墨烯导热片单向传热,面内等效导热系数超越2000W/(m·K)。

导热垫片及其制备方法
申请日 2021-04-26
申请公布日 2021-07-23
授权公告日 2023-05-16
申请号 CN202110463859.6
申请公布号 CN113147115A
授权公告号 CN113147115B
分类号 B32B9/04;B32B3/08;B32B7/12;B32B3/24;B32B37/12;B32B9/00;C09J183/04;H05K7/20
本发明涉及一种导热垫片,其具有多层导热膜,导热膜具备多个贯通孔,其中,多个贯通孔内分布有胶黏剂,各层导热膜之间分布有胶黏剂和导热填料。

原创文章,作者:石墨烯网,如若转载,请注明出处:http://www.graphene.tv/2023060292785/
